Home / Expert Answers / Civil Engineering / double-reinforced-beam-usd-compute-the-design-moment-strength-of-the-beam-shown-if-fy-60-ksi-a-pa329

(Solved): Double Reinforced Beam - USD Compute the design moment strength of the beam shown if fy = 60 ksi a ...



Double Reinforced Beam - USD

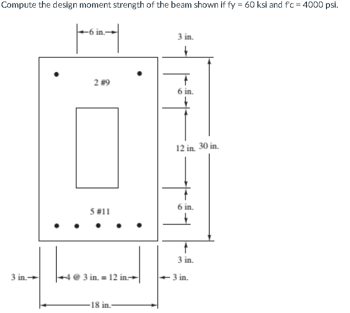
Compute the design moment strength of the beam shown if fy = 60 ksi and fc = 4000 psi.
5 in.-
3 in.
?
2 #9
T
6 in.
12 in. 30

Compute the design moment strength of the beam shown if fy = 60 ksi and f'c = 4000 psi. 5 in.- 3 in. ? 2 #9 T 6 in. 12 in. 30 in. 6 in. 5 #11 4 3 in. 4 @ 3 in. = 12 in? -18 in.- 3 in.? 3 in.


We have an Answer from Expert

View Expert Answer

Expert Answer


We have an Answer from Expert

Buy This Answer $5

Place Order

We Provide Services Across The Globe