Home
Expert Answers
Place Order
How It Works
About Us
Contact Us
Sign In / Sign Up
Sign In
Sign Up
Home
/
Expert Answers
/
Electrical Engineering
/ draw-this-circuit-on-pspice-using-potentiometer-and-simulate-the-result-please-pa838
(Solved): draw this circuit on pspice using potentiometer and simulate the result please. ...
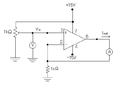
draw this circuit on pspice using potentiometer and simulate the result please.
We have an Answer from Expert
View Expert Answer
Expert Answer
We have an Answer from Expert
Buy This Answer $5
Place Order
We Provide Services Across The Globe
Order Now
Go To Answered Questions