Home / Expert Answers / Electrical Engineering / implementation-of-the-image-39-s-chebyshev-filter-but-now-implemented-in-tinkercad-photo-of-the-circ-pa385

(Solved): implementation of the image's Chebyshev filter but now implemented in Tinkercad. PHOTO OF THE CIRCUI ...



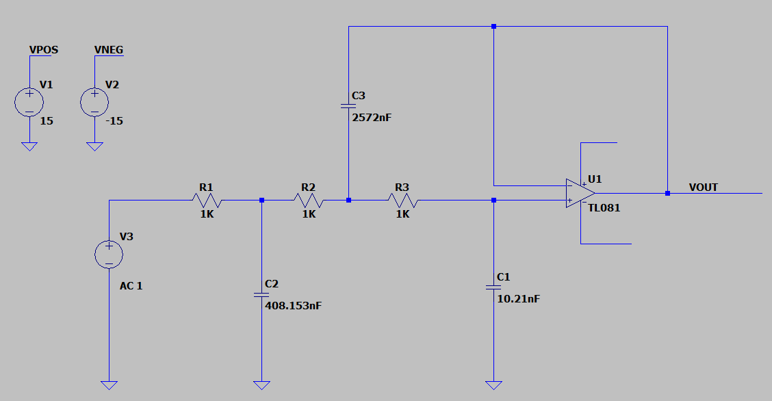
implementation of the image's Chebyshev filter but now implemented in Tinkercad. PHOTO OF THE CIRCUIT TINKERCAD Requirements: Use breadboard Power it properly (+ - 1 5 V)



We have an Answer from Expert

View Expert Answer

Expert Answer


We have an Answer from Expert

Buy This Answer $5

Place Order

We Provide Services Across The Globe