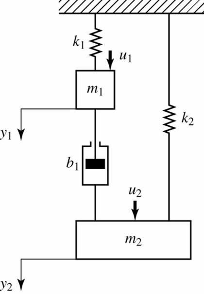
Q1. A mechanical system is shown in the following figure, where external force u1 is the input and displacement y2 is the output. The force acting on m2 has a linear relationship with u1 as u2=Au1. List system equations and do Laplace transform to the system equations; Draw block diagram of the control system. (Please construct the block diagram from system equations directly, do not derive or combine the equations. Do not need to reduce it)
