Home / Expert Answers / Electrical Engineering / the-sequential-circuit-given-below-has-an-input-and-an-output-a-draw-the-state-diagram-and-state-pa566

(Solved): The sequential circuit given below has an input and an output. a) Draw the state diagram and state ( ...



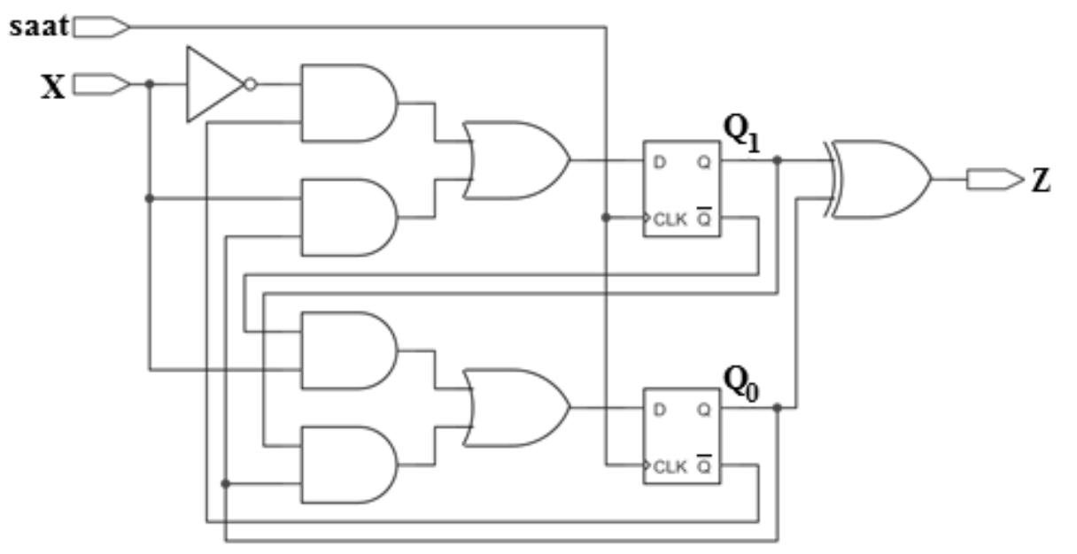
The sequential circuit given below has an input and an output.
a) Draw the state diagram and state (truth) table of the circuit. This circuit is a series
detector. Determine which sequence it is detecting (15p).
b) 0, 1, 1, respectively to input X
If 0, 0, 1, 0 is applied, draw the time diagram consisting of clock, input, states and output.
Install them in Logisim program and give their simulations in homework??????? (10p).

???????saat

saat


We have an Answer from Expert

View Expert Answer

Expert Answer


a) The given circuit is a series detector, which means it is designed to detect a specific sequence of input values. To determine the sequence that th
We have an Answer from Expert

Buy This Answer $5

Place Order

We Provide Services Across The Globe